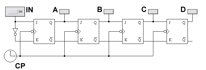
4 bit serial shift register - download .toy file

<< back